
 蝶閥知識
蝶閥知識 閥門首頁 > 閥門知識 > 蝶閥知識 >
閥門首頁 > 閥門知識 > 蝶閥知識 > 
	更多相關產品點擊:蝶閥
	
	
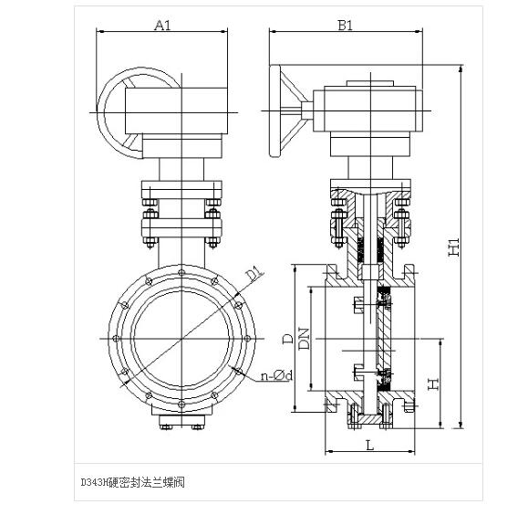
	法蘭蝶閥D343H-25 DN600代表的含義是:D代表閥門類型為蝶閥,3代表驅動裝置為蝸輪,4代表連接方式為法蘭,3代表結構形式為三偏心,H代表閥座堆焊為不銹鋼,25代表公稱壓力為2.5MPA,DN600代表閥門的公稱直徑為600毫米。
	
	
	具體來說,D343H-25中的每個字母和數字都有其特定的含義:
	
	 

這種閥門通常用于介質溫度≤425℃的冶金、電力、石油化工、給排水和市政建設等工業管道上,主要用于調節流量和截斷流體。金屬硬密封蝶閥采用三偏心密封結構,閥座與蝶板幾乎無磨損,具有越觀越緊的密封功能。密封圈選用不銹鋼制作,具有金屬硬密封和彈性密封的雙重優點,無論在低溫和高溫的情況下,均具有優良的密封性能,具有耐腐蝕,使用壽命長等特點。蝶板密封面采用堆焊鈷基硬質合金,密封面耐磨損,使用壽命長。大規格蝶板采用絎架結構,強度高,過流面積大,流阻小。金屬硬密封蝶閥具有雙向密封功能,安裝時不受介質流向的限制,也不受空間位置的影響,可在任何方向安裝。驅動裝置可以多工位(旋轉90°或180°)安裝,便于用戶使用。

| 
						型號 | 
						D343H-10 
						D343H-16 
						D343H-25 
						D343H-40 | 
						D343H-10P 
						D343H-16P 
						D343H-25P 
						D343H-40P | 
						D343H-10R 
						D343H-16R 
						D343H-25R 
						D343H-40R | |
| 
						工作壓力(MPa) | 
						1.0~4.0 | |||
| 
						適用溫度(℃) | 
						≤425 | 
						≤200 | ||
| 
						適用介質 | 
						水、油或非腐蝕性介質 | 
						硝酸類介質 | 
						醋酸類介質 | |
| 
						材料 | 
						閥體、蝶板 | 
						WCB | 
						CF8/304 | 
						CF3M/316L | 
| 
						閥桿 | 
						2Cr13 | 
						304 | 
						316L | |
| 
						閥體密封面 | 
						堆焊 507 | 
						- | 
						- | |
| 
						蝶板密封面 | 
						304+柔性石墨 | 
						304+PTFE | 
						304+PTFE | |
| 
						填料 | 
						柔性石墨 | 
						PTFE | 
						PTFE | |
| 
							公稱通徑 | 
							長度 
							標準值 | 
							外形尺寸 
							(參考值) | 
							連接尺寸 
							(標準值) | 
							重量 
							(kg) | ||||||||||
| 
							L | 
							H | 
							H1 | 
							A1 | 
							B1 | 
							PN0.6MPa | 
							PN1.0MPa | ||||||||
| 
							毫米 | 
							英寸 | 
							短 | 
							長 | 
							D | 
							D1 | 
							Z-d | 
							D | 
							D1 | 
							Z-d | |||||
| 
							50 | 
							2 | 
							108 | 
							150 | 
							112 | 
							350 | 
							180 | 
							200 | 
							140 | 
							110 | 
							4-14 | 
							165 | 
							125 | 
							4-18 | 
							17 | 
| 
							65 | 
							21/2 | 
							112 | 
							170 | 
							115 | 
							370 | 
							180 | 
							200 | 
							160 | 
							130 | 
							4-14 | 
							185 | 
							145 | 
							4-18 | 
							20 | 
| 
							80 | 
							3 | 
							114 | 
							180 | 
							120 | 
							380 | 
							180 | 
							200 | 
							190 | 
							150 | 
							4-18 | 
							200 | 
							160 | 
							8-18 | 
							23 | 
| 
							100 | 
							4 | 
							127 | 
							190 | 
							138 | 
							420 | 
							180 | 
							200 | 
							210 | 
							170 | 
							4-18 | 
							220 | 
							180 | 
							8-18 | 
							25 | 
| 
							125 | 
							5 | 
							140 | 
							200 | 
							164 | 
							460 | 
							180 | 
							200 | 
							240 | 
							200 | 
							8-18 | 
							250 | 
							210 | 
							8-18 | 
							40 | 
| 
							150 | 
							6 | 
							140 | 
							210 | 
							175 | 
							555 | 
							270 | 
							280 | 
							265 | 
							225 | 
							8-18 | 
							285 | 
							240 | 
							8-22 | 
							47 | 
| 
							200 | 
							8 | 
							152 | 
							230 | 
							208 | 
							605 | 
							270 | 
							280 | 
							320 | 
							280 | 
							8-18 | 
							340 | 
							295 | 
							8-22 | 
							60 | 
| 
							250 | 
							10 | 
							165 | 
							250 | 
							243 | 
							680 | 
							270 | 
							280 | 
							375 | 
							335 | 
							12-18 | 
							395 | 
							350 | 
							12-22 | 
							95 | 
| 
							300 | 
							12 | 
							178 | 
							270 | 
							283 | 
							800 | 
							380 | 
							420 | 
							400 | 
							395 | 
							12-22 | 
							445 | 
							400 | 
							12-22 | 
							124 | 
| 
							350 | 
							14 | 
							190 | 
							290 | 
							310 | 
							835 | 
							380 | 
							420 | 
							490 | 
							445 | 
							12-22 | 
							505 | 
							460 | 
							16-22 | 
							181 | 
| 
							400 | 
							16 | 
							216 | 
							310 | 
							340 | 
							915 | 
							450 | 
							470 | 
							540 | 
							495 | 
							16-22 | 
							565 | 
							515 | 
							16-26 | 
							260 | 
| 
							450 | 
							18 | 
							222 | 
							330 | 
							380 | 
							960 | 
							480 | 
							490 | 
							595 | 
							550 | 
							16-22 | 
							615 | 
							565 | 
							20-26 | 
							338 | 
| 
							500 | 
							20 | 
							229 | 
							350 | 
							410 | 
							1020 | 
							480 | 
							490 | 
							645 | 
							600 | 
							20-22 | 
							670 | 
							620 | 
							20-26 | 
							360 | 
| 
							600 | 
							24 | 
							267 | 
							390 | 
							470 | 
							1225 | 
							480 | 
							490 | 
							755 | 
							705 | 
							20-26 | 
							780 | 
							725 | 
							20-30 | 
							540 | 
| 
							700 | 
							28 | 
							292 | 
							430 | 
							550 | 
							1355 | 
							640 | 
							660 | 
							860 | 
							810 | 
							24-26 | 
							895 | 
							840 | 
							24-30 | 
							580 | 
| 
							800 | 
							32 | 
							318 | 
							470 | 
							640 | 
							1470 | 
							640 | 
							660 | 
							975 | 
							920 | 
							24-30 | 
							1015 | 
							950 | 
							24-33 | 
							845 | 
| 
							900 | 
							36 | 
							330 | 
							510 | 
							710 | 
							1545 | 
							750 | 
							860 | 
							1075 | 
							1020 | 
							24-30 | 
							1115 | 
							1050 | 
							28-33 | 
							1050 | 
| 
							1000 | 
							40 | 
							410 | 
							550 | 
							770 | 
							1795 | 
							850 | 
							900 | 
							1175 | 
							1120 | 
							28-30 | 
							1230 | 
							1160 | 
							28-36 | 
							1500 | 
| 
							1200 | 
							48 | 
							470 | 
							630 | 
							890 | 
							1965 | 
							850 | 
							900 | 
							1405 | 
							1340 | 
							32-33 | 
							1455 | 
							1380 | 
							32-39 | 
							2000 | 
| 
							公稱通徑 | 
							長度 
							標準值 | 
							外形尺寸 
							(參考值) | 
							連接尺寸 
							(標準值) | 
							重量 
							(kg) | ||||||||||
| 
							L | 
							H | 
							H1 | 
							A1 | 
							B1 | 
							PN1.6MPa | 
							PN2.5MPa | ||||||||
| 
							毫米 | 
							英寸 | 
							短 | 
							長 | 
							D | 
							D1 | 
							Z-d | 
							D | 
							D1 | 
							Z-d | |||||
| 
							50 | 
							2 | 
							108 | 
							150 | 
							112 | 
							350 | 
							180 | 
							200 | 
							165 | 
							125 | 
							4-18 | 
							165 | 
							125 | 
							4-18 | 
							19 | 
| 
							65 | 
							21/2 | 
							112 | 
							170 | 
							115 | 
							370 | 
							180 | 
							200 | 
							185 | 
							145 | 
							4-18 | 
							185 | 
							145 | 
							8-18 | 
							22 | 
| 
							80 | 
							3 | 
							114 | 
							180 | 
							120 | 
							380 | 
							180 | 
							200 | 
							200 | 
							160 | 
							8-18 | 
							200 | 
							160 | 
							8-18 | 
							25 | 
| 
							100 | 
							4 | 
							127 | 
							190 | 
							138 | 
							420 | 
							180 | 
							200 | 
							220 | 
							180 | 
							8-18 | 
							235 | 
							190 | 
							8-22 | 
							28 | 
| 
							125 | 
							5 | 
							140 | 
							200 | 
							164 | 
							460 | 
							180 | 
							200 | 
							250 | 
							210 | 
							8-18 | 
							270 | 
							220 | 
							8-26 | 
							43 | 
| 
							150 | 
							6 | 
							140 | 
							210 | 
							175 | 
							555 | 
							270 | 
							280 | 
							285 | 
							240 | 
							8-22 | 
							300 | 
							250 | 
							8-26 | 
							50 | 
| 
							200 | 
							8 | 
							152 | 
							230 | 
							208 | 
							605 | 
							270 | 
							280 | 
							340 | 
							295 | 
							12-22 | 
							360 | 
							310 | 
							12-26 | 
							64 | 
| 
							250 | 
							10 | 
							165 | 
							250 | 
							243 | 
							680 | 
							270 | 
							280 | 
							405 | 
							355 | 
							12-26 | 
							425 | 
							370 | 
							12-30 | 
							99 | 
| 
							300 | 
							12 | 
							178 | 
							270 | 
							283 | 
							800 | 
							380 | 
							420 | 
							460 | 
							410 | 
							12-26 | 
							485 | 
							430 | 
							16-30 | 
							130 | 
| 
							350 | 
							14 | 
							190 | 
							290 | 
							310 | 
							835 | 
							380 | 
							420 | 
							520 | 
							470 | 
							16-26 | 
							555 | 
							490 | 
							16-33 | 
							188 | 
| 
							400 | 
							16 | 
							216 | 
							310 | 
							340 | 
							915 | 
							450 | 
							470 | 
							580 | 
							525 | 
							16-30 | 
							620 | 
							550 | 
							16-36 | 
							270 | 
| 
							450 | 
							18 | 
							222 | 
							330 | 
							380 | 
							960 | 
							450 | 
							470 | 
							640 | 
							585 | 
							20-30 | 
							670 | 
							600 | 
							20-36 | 
							350 | 
| 
							500 | 
							20 | 
							229 | 
							350 | 
							410 | 
							1020 | 
							480 | 
							490 | 
							715 | 
							650 | 
							20-33 | 
							730 | 
							660 | 
							20-36 | 
							375 | 
| 
							600 | 
							24 | 
							267 | 
							390 | 
							470 | 
							1225 | 
							640 | 
							660 | 
							840 | 
							770 | 
							20-36 | 
							845 | 
							770 | 
							20-39 | 
							560 | 
| 
							700 | 
							28 | 
							292 | 
							430 | 
							550 | 
							1355 | 
							640 | 
							660 | 
							910 | 
							840 | 
							24-36 | 
							960 | 
							875 | 
							24-42 | 
							610 | 
| 
							800 | 
							32 | 
							318 | 
							470 | 
							640 | 
							1470 | 
							640 | 
							660 | 
							1025 | 
							950 | 
							24-39 | 
							1085 | 
							990 | 
							24-48 | 
							880 | 
| 
							900 | 
							36 | 
							330 | 
							510 | 
							710 | 
							1545 | 
							650 | 
							860 | 
							1125 | 
							1050 | 
							28-39 | 
							1185 | 
							1090 | 
							28-48 | 
							1100 | 
| 
							1000 | 
							40 | 
							410 | 
							550 | 
							770 | 
							1795 | 
							650 | 
							900 | 
							1255 | 
							1170 | 
							28-42 | 
							1320 | 
							1210 | 
							28-56 | 
							1600 | 
| 
							1200 | 
							48 | 
							470 | 
							630 | 
							890 | 
							1965 | 
							650 | 
							900 | 
							1485 | 
							1390 | 
							32-48 | 
							1530 | 
							1420 | 
							32-56 | 
							2150 | 
| 
							公稱通徑 | 
							結構長度(標準值) | 
							外形尺寸(參考值) | 
							連接尺寸(標準值) | |||||||
| 
							L | 
							H | 
							H1 | 
							A1 | 
							B1 | 
							PN4.0MPa | |||||
| 
							毫米 | 
							英寸 | 
							短 | 
							長 | 
							D | 
							D1 | 
							Z-d | ||||
| 
							50 | 
							2 | 
							108 | 
							150 | 
							112 | 
							350 | 
							180 | 
							200 | 
							165 | 
							125 | 
							4-18 | 
| 
							65 | 
							21/2 | 
							112 | 
							170 | 
							115 | 
							370 | 
							180 | 
							200 | 
							185 | 
							145 | 
							8-18 | 
| 
							80 | 
							3 | 
							114 | 
							180 | 
							120 | 
							380 | 
							180 | 
							200 | 
							200 | 
							160 | 
							8-18 | 
| 
							100 | 
							4 | 
							127 | 
							190 | 
							138 | 
							420 | 
							180 | 
							200 | 
							235 | 
							190 | 
							8-22 | 
| 
							125 | 
							5 | 
							140 | 
							200 | 
							164 | 
							460 | 
							180 | 
							200 | 
							270 | 
							220 | 
							8-26 | 
| 
							150 | 
							6 | 
							140 | 
							210 | 
							175 | 
							555 | 
							270 | 
							280 | 
							300 | 
							250 | 
							8-26 | 
| 
							200 | 
							8 | 
							152 | 
							230 | 
							208 | 
							605 | 
							270 | 
							280 | 
							375 | 
							320 | 
							12-30 | 
| 
							250 | 
							10 | 
							165 | 
							250 | 
							243 | 
							680 | 
							270 | 
							280 | 
							450 | 
							385 | 
							12-33 | 
| 
							300 | 
							12 | 
							178 | 
							270 | 
							283 | 
							800 | 
							380 | 
							420 | 
							515 | 
							450 | 
							16-33 | 
| 
							350 | 
							14 | 
							190 | 
							290 | 
							310 | 
							830 | 
							380 | 
							420 | 
							580 | 
							510 | 
							16-36 | 
| 
							400 | 
							16 | 
							216 | 
							310 | 
							340 | 
							915 | 
							450 | 
							470 | 
							660 | 
							585 | 
							16-39 | 
| 
							450 | 
							18 | 
							222 | 
							330 | 
							380 | 
							960 | 
							480 | 
							490 | 
							685 | 
							610 | 
							20-39 | 
| 
							500 | 
							20 | 
							229 | 
							350 | 
							410 | 
							1020 | 
							480 | 
							490 | 
							755 | 
							670 | 
							20-42 | 
上一篇:蝶閥D71X-10Q-DN400型號的含義及產品說明書 / 下一篇:沒有了