蝶閥D371x-1.6- DN200是一種常用的工業閥門,它在流體控制系統中起著重要的作用。如果您正在尋找可靠的渦輪蝶閥D371x-1.6- DN200廠家及供應商,我們將向您介紹一家值得信賴的企業。我們的公司是一家專業生產和供應渦輪蝶閥D371x-1.6- DN200的廠家,多年來一直致力于閥門行業的研發和制造。我們擁有先進的生產設備和技術團隊,可以保證產品的質量和穩定性。通過嚴格的質量控制和檢測,我們的渦輪蝶閥D371x-1.6- DN200具有優異的性能和可靠的使用壽命。
	 
	
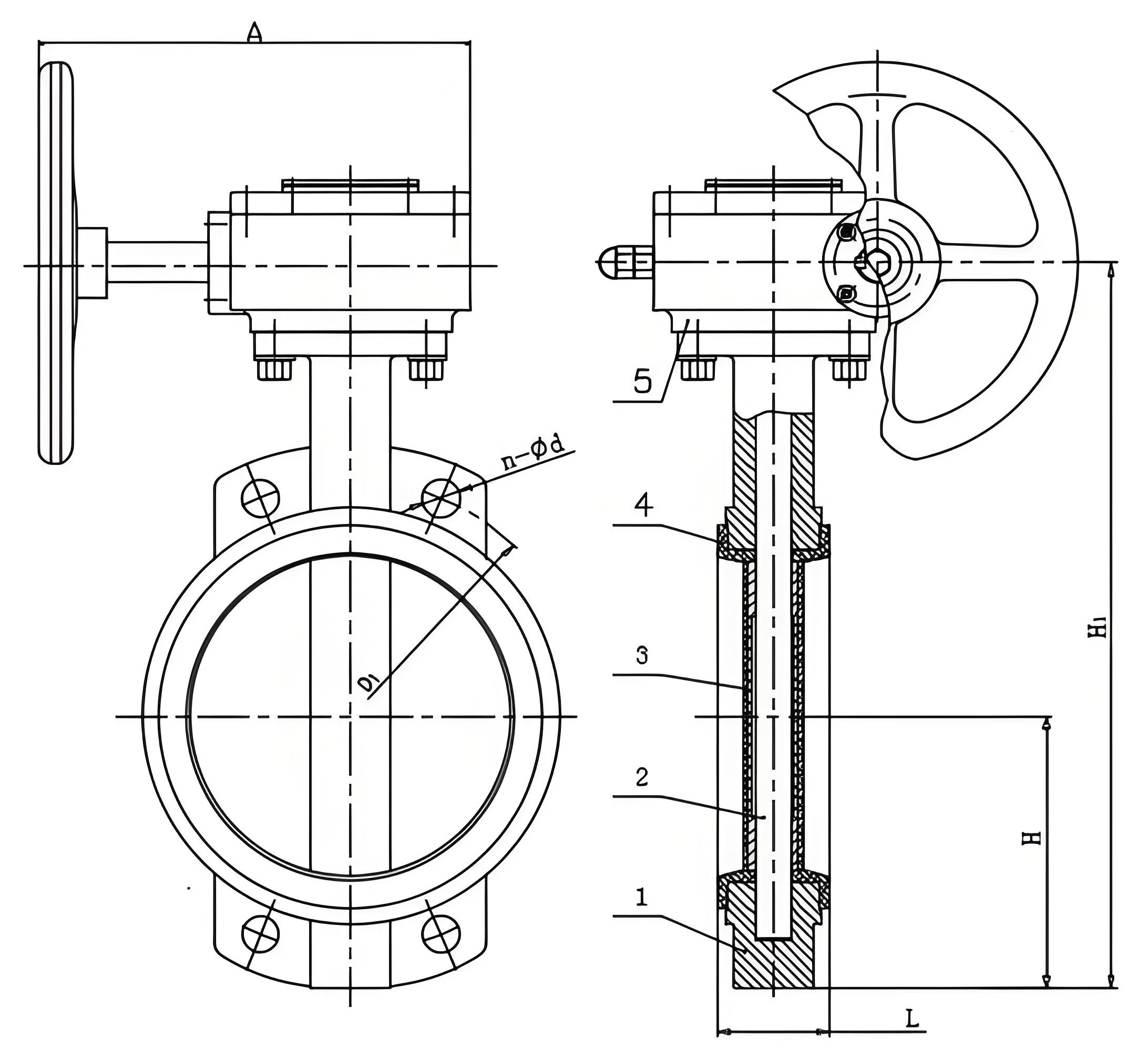
		渦輪蝶閥D371x-1.6-DN200代表的含義是:這是一種蝶閥,其型號中的字母和數字分別代表不同的含義。具體來說,D371x-1.6-DN200中的各個部分含義如下:D 代表閥門類型,即蝶閥。 3 代表驅動裝置,即蝸輪傳動。 7 代表連接方式,即對夾連接。 1 代表結構形式,即中線結構。 X 代表閥座材質,即橡膠材質。 1.6 代表公稱壓力,即1.6MPa。 DN200 代表閥門的公稱直徑為200毫米。綜上所述,D371x-1.6-DN200是一種直徑為200毫米的蝶閥,采用蝸輪傳動方式,材質為鑄鋼,適用于多種工業領域,如石油、煤氣、化工、水處理等。
	作為一家可靠的供應商,我們提供各種規格和型號的渦輪蝶閥D371x-1.6- DN200,以滿足不同客戶的需求。無論您需要單個閥門還是大批量采購,我們都能夠及時交付,并提供競爭性的價格。我們與國內外許多知名企業建立了長期穩定的合作關系,得到了客戶的高度認可和信賴。除了優質的產品和及時的交付,我們還提供全方位的售后服務。無論您在產品安裝、調試還是維護方面遇到任何問題,我們都將提供專業的技術支持和解決方案。我們的服務團隊隨時待命,確保您的需求能夠得到及時響應。
	 
	
		我公司渦輪蝶閥的優點
	1、操作簡便:渦輪蝶閥的卡箍連接處具有重量輕、螺栓數目少、安置方便的優點,即便是新手也能輕松使用。
	2、質量可靠:渦輪蝶閥的科技含量水平非常高,帶有新穎的C型橡膠密封圈,能夠實現三重密封,確保連結處的密封性和可靠性。
	3、使用安全:渦輪蝶閥的安裝過程中,只需要進行機械組裝,無須焊接,沒有明火,因此不會出現焊渣等雜物,可確保工地平安,對嚴禁煙火的工況尤其適合。
	4、經濟實惠:由于渦輪蝶閥安裝快捷、容易上手,而且安裝的返修率低,綜合安裝成本較普通蝶閥可節省30-50%。
	5、占用空間小:渦輪蝶閥的溝槽式卡箍連接所占空間約為普通法蘭的70%,非常適合在空間狹窄的工況中使用。
	6、維護簡單:渦輪蝶閥只要安裝妥貼,管道等配件一次試壓合格,即可安全運行,平時無須維護,零配件可保用數十年。 
	7、適用性強:渦輪蝶閥的溝槽式卡箍幾乎可以適用市面上所有的無縫鋼管、鍍鋅鋼管、焊接鋼管、不銹鋼管、銅管等金屬管材。
	8、可實現管路的柔性連結:渦輪蝶閥的柔性溝槽式卡箍連接可以使管路呈柔性體系,能吸取管子因溫度改變發生的長度位移,容許管子有必定偏移角度。
	 
	總之,如果您需要渦輪蝶閥D371x-1.6- DN200的廠家及供應商,我們是您的理想選擇。優質的產品、競爭性的價格和全方位的售后服務將為您的業務帶來更大的價值。請隨時聯系我們,我們期待與您的合作!