上海湖泉閥門集團有限公司
通風調節電動蝶閥生產公司、電動通風蝶閥生產廠家 啟閉靈活,密封性好,風量可調.免費提供電動通風蝶閥生產廠家 技術支持,閥門資料,選型報價,歡迎咨詢!專業生產蝶閥生產廠家,電動通風調節蝶閥為我公司專業主打產品之一,廠家直接對接用戶,價格優勢明顯,性價比高。質量可靠安全保證。歡迎廣大客戶前來咨詢...廣泛用于城市給水排水,冶金,石油,化工,灌溉,電力,紡織等行業水處理構筑物上.以實現流量和液面水位的控制是給排水和污水處理的重要設備.電動通風蝶閥歡迎咨詢!
 

我公司
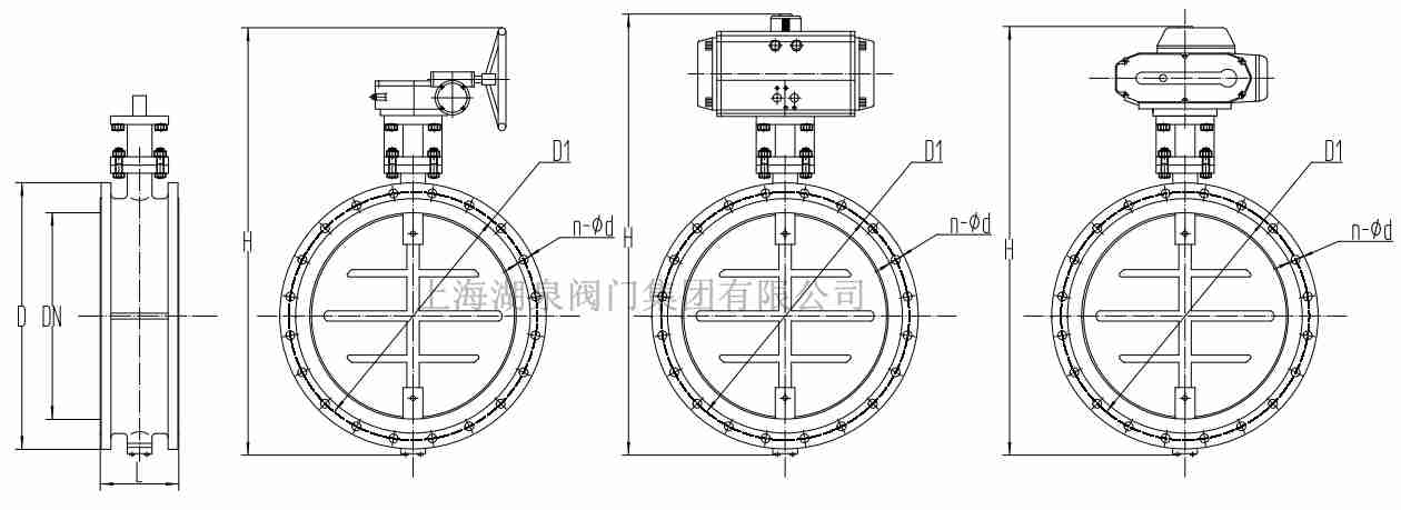
電動通風蝶閥由角行程電動執行機構和蝶閥組成,它與電動單元組合儀表配合使用。電動通風蝶閥具有結構簡單、口徑大、重量輕、 操作方便等優點。擁有20余年歷史的電動閥門和電動執行器廠家,產品有電動蝶閥,電動球閥、電動閘閥、電動截止閥、電動調節閥及電動執行器等,提供的電動/氣動閥門(蝶閥,球閥,閘閥,截止閥,調采用一體式電動執行器和蝶閥組成 輸入220V電源即可直接進行開關量調節,亦可內置伺服模塊,輸入控制信號(4~20mADC或1~5VDC)及單相電源即可控制運轉,通風蝶閥的用途 通風蝶閥是一種非密閉型蝶閥,廣泛適用于建材、冶金、礦山、電力等生產過程種介質溫度≤300℃公稱壓力為0.1Mpa的管道上,用以連通、啟閉或調節介質量。
 

 通風蝶閥分為手動和電動傳動,可由電動機或者渦輪帶動驅動執行機構,使碟板在90°范圍內自由轉動以達到啟閉或調節介質流量的目的。通風、環保工程的含塵冷風或熱風氣體管道中,作為氣體介質調節流量或切斷...

本公司生產的電動蝶閥根據客戶的要求,可以選擇精小型、LQ型、QT型、802型及配有蝸輪減速箱的DZW型。其中802型及配有蝸輪減速箱的DZW型適用于大口徑蝶閥,功率高,輸出扭矩大,運行穩定。本公司生產的蝶閥也可以完美兼容國外品牌的電動執行器。具體參數可以參考執行器系列。
根據不同控制和要求可選用不同配置的附加功能:
控制形式選用:開關型、調節型、整體開關型、智能調節型
適用環境選用:普通型、浸水型、防爆型、隔爆煤安型
電壓選用:AC220V、AC380V、DC24V;特殊電壓AC24V、AC110V、AC440V、AC660V
 

通風調節電動蝶閥生產公司【密封材料選用和適用溫度】
	
		
			| 材料品種 | 碳素鋼 | 低溫碳鋼 | 合金鋼 | 奧氏體不銹鋼 | 鉻鉬鋼 | 
		
			| 代號 | WCB | LCB | WC6或 WC9 | C5或C12 | 鉻Cr-18型、304、316 | 12CrMoV | 
		
			| 耐最高溫度 | 425℃ | 345℃ | 595℃ | 650℃ | 600℃ | 560℃ | 
		
			| 耐最低溫度e | -29℃ | -46℃ | -29℃ | -29℃ | -196℃ | -40℃ | 
		
			| 適用工作溫度 | ≤425℃ | ≤345℃ | ≤595℃ | ≤650℃ | ≤600℃ | ≤560℃ |